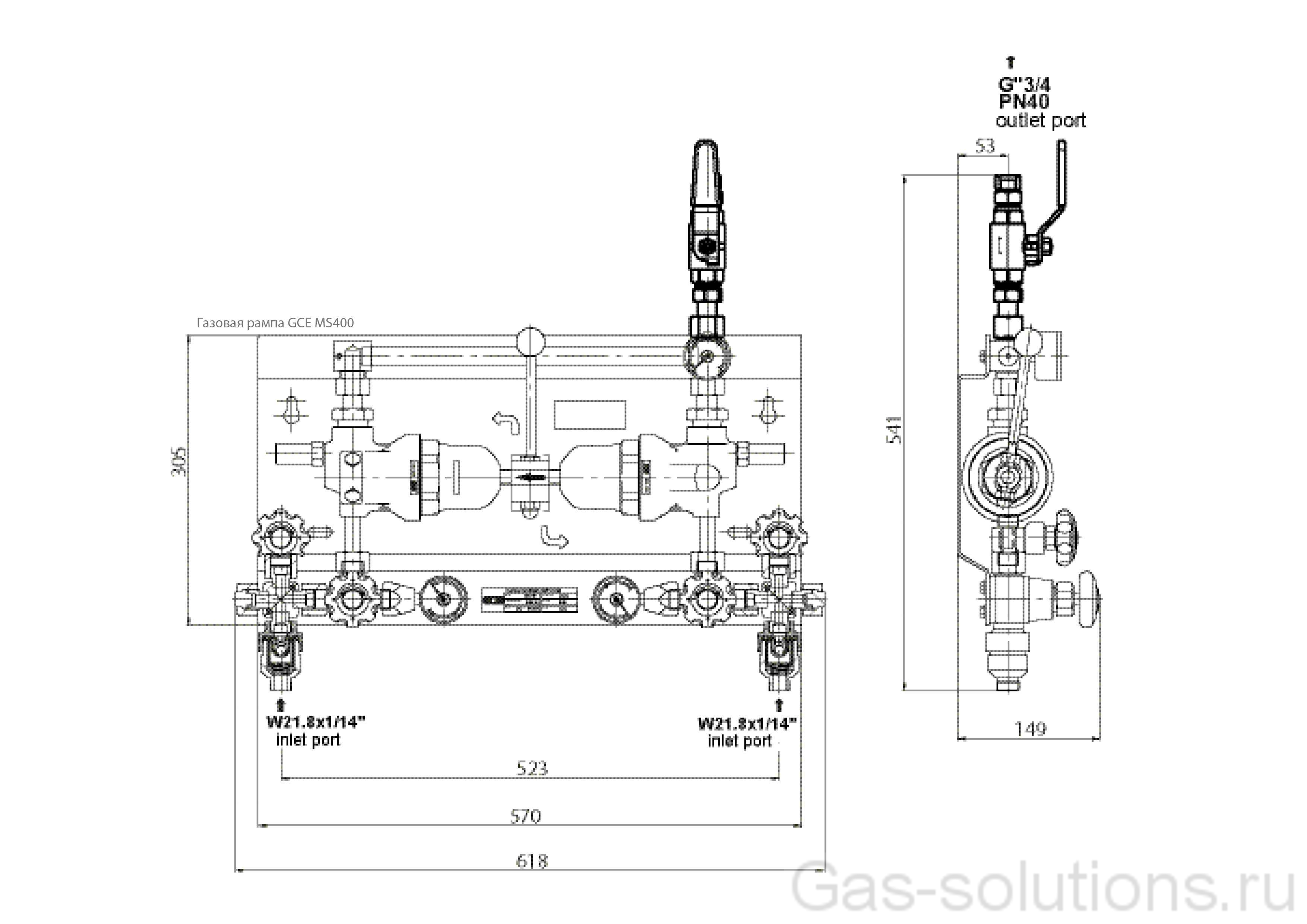
Газовая рампа GCE MB400
Ручная одноступенчатая одноплечевая газовая рампа для инертных, горючих, окисляющих газов и газовых смесей до качества 4,8 в баллонах/моноблоках для 3-х источников.
Описание товара
Основные характеристики
| Входное давление (бар), max | 300 |
| Выходное давление (бар)20 | — |
| 20 | |
| — | |
| — | |
| — | |
| — | |
| Максимальный расход | 400 нм3/ч / 250 нм3/ч (номинал) |
| Рабочая температура (°C) | -20 — +60 |
| Материал корпуса | Латунь |
| Материал мембраны | Butyl |
| Материал уплотнения | PA |
| Соединение (баллоны/моноблоки) | 3 |
| Габаритные размеры Д´Ш´В (мм), max | 385х172х324 |
| Вес (кг) | |
| Артикул | 0768098 |
Монтируется на консоли из нержавеющей стали и состоит из:
- редуктор давления
- манометр на входе и выходе
- защитный клапан
- запорный вентиль
- блок переключения MANYFLOW между источниками (баллонами/моноблоками)
- гибкий шланг (РВД)
- тип резьбы на вход и выход — в соответствии с запросом
Вы можете купить Газовая рампа GCE MB400 в нашем магазине. Наш телефон +7 (925) 482-30-01. Мы работаем по Москве, Московской области и по всем регионам РФ!









